Language
当前位置:首页 >产品中心 >40.5kV绝缘件系列 >40.5kV屏蔽触头盒系列
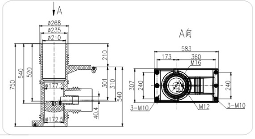
产品名称:屏蔽触头盒(加长型)
产品型号:CHZ309-40.5
额定电压:40.5kV
产品设计图: