Language
当前位置:首页 >产品中心 >3.6-12kV绝缘件系列 >12kV触头盒系列
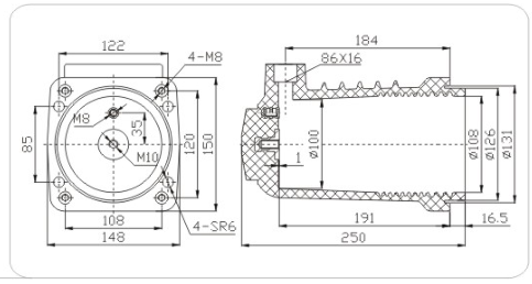
产品名称:12kV触头盒
产品型号:CHZ301-A-12
额定电流:630A~1250A
产品设计图: