Language
当前位置:首页 >产品中心 >3.6-12kV绝缘件系列 >3.6-12kV传感器系列
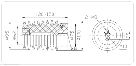
产品名称:传感器
产品型号:CG116-3.6/7.2/12
额外电压:3.6~12kV
产品设计图: